首页
关于我们
产品中心
新闻动态
应用案例
联系我们
净水设备
净水设备
净水设备
污水处理
首页
∷
产品中心
∷
净水设备
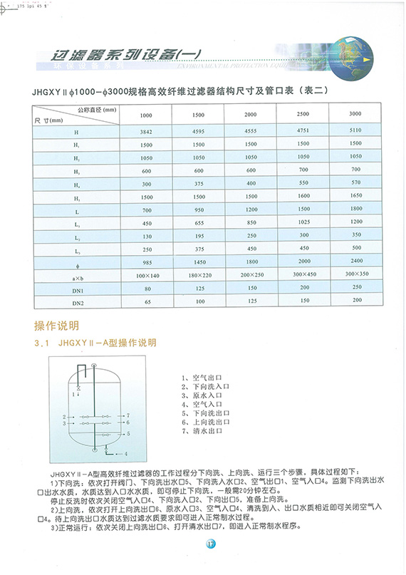
重力式空气擦洗双阀过滤器
上一个:
GSL系列高速过滤器
下一个:无